| |
3 Wire Ceiling Fan Light Switch
The red wire is spliced to the output on the dimmer and at the other end to the blue light wire.
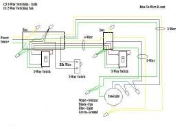
3 wire ceiling fan light switch. 3 way switch wiring diagram variations ceiling light wiring ceiling fan 3 way switch wiring diagram. From the switches 3 wire cable runs to the ceiling outlet box. Both lights off one light on other light on both lights on.
How to wire a 3 speed fan switch prepare for the replacement. Remove the light kit if installed. It activates canopy lamps and ceiling fan lights by gently tugging the attached ball chain.
Ceiling fan pull chain switch wiring diagram best 3 speed new hunter. That s usually the hot wire for the light. Connect white wires together.
The fan control switch usually connects to the black wire and the light kit switch to the red wire of the 3 way cable. It really is meant to help all the common person in creating a proper method. The wiring trick that lets you wire a ceiling fan with light to one switch.
Topbuti 3 pack ceiling fan switch 3 speed 4 wire zing ear ze 268s6 fan pull chain switch replacement speed control switch for ceiling fan light wall lamps cabinet light multicolored 4 6 out of 5 stars 176. In this diagram the black wire of the ceiling fan is for the fan and the blue wire is for the light kit. Switched lines and neutral connect to a 3 wire cable that travels to the light fan outlet box in the ceiling.
Connect the green copper wires together. Turn the power back on and test the fan. Connect black wires together.
Source : pinterest.com
