| |
Bathtub Overflow Leaking Through Ceiling
Certainly you have to install the drain pipe through the hole correctly to prevent the water leaks coming back.
Bathtub overflow leaking through ceiling. Make sure it seats evenly for a complete seal around the connection. Water leaks from a plumbing fixture or pipes may go unnoticed for days or even weeks until you notice a wet spot or water stain on the ceiling below. Open the access panel behind the bathroom wet wall to inspect the bathtub s water valves.
Enable it to dry then vacuum. You ll have a water stain so you ll have to paint the ceiling using a stain blocker shellac based kilz or bin. If the faucet valve in the wall behind the tub is leaking water may be dripping down through the wall cavity to the ceiling below.
Then cut off the parts of ceiling drywall in which section that you see the leaks evidence. Purely take some baking soda combination it with an fairly small volume of vinegar to make a paste and then positioned it on the carpet with an previous toothbrush. If it happens that your shower or bathtub is located above your garage you can cut costs by having the plumber cut the ceiling under those pipes and replacing it with a removable door.
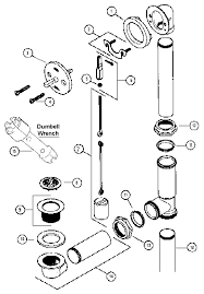
If it is caused by the holes you can cut a small access hole in the ceiling. Just a note about shower or bathtub leaks over a garage. Replace the drain assembly and then fasten the plate with the two mounting screws to finish the job.
If the leak continues even after the shower is off then the leak is probably coming from a water pipe. If you suspect that a defective ring is the. The ceiling will probably dry out just fine on its own if you don t have any more leaks.
Your leak could be caused by a leak in your upstairs toilet. Such a leak will be quite steady. The overflow pipe will have a little play although not much that should allow you to adjust its position and make room for the gasket.
Source : pinterest.com
